Пневматичні приводи

Пневмоприводи - потужні, безвідмовні і компактні пристрої з редуктором для використання в шарових, дросельних, втулочних клапанах і будь-яких інших пристроях, що потребують точного швидкого або плавного або ступенчатого (пропорційно 90 град) повороту штоку.
Пневматичні приводи виробляються 7 різних розмірів подвійної та односторонньої дії з пружинним зворотним типом.
Крім стандартно виготовлених пневматичних приводів можуть бути виготовлені з +- 10% регулювання ходу поршня, 180 град;повороту і 3-позиційного типу. Як доповнення можуть бути встановлені соленоїдний клапан, автоматичний вимикач (механічного або безконтактного типу), позиціонер (пневматичний або електропневматичний)...

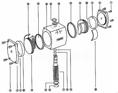
МАТЕРІАЛ КОРПУСУ: монокристалічний алюміній, анодований (для типів T-PA40, 60 і 80)
літий алюміній , пропитане і епоксидне ущільнення. (Для типів
Т-PA100, 120, 160 і 200)
Поршень: літій алюміній,
ШЕСТЕРНЯ: сталь (кадмієве покриття), нержавіюща сталь
ПРОКЛАДКИ: нітрилова резина, -20°C /+80°C
Підшипники: Легко скользящий твердий пластик.

Привід/клапанное з'єднання в соотв с........................ ISO
Соленоїдне клапанне з'єднання згідно з (3/2 або 5/2) ...... NAMUR
Позиціонер і корпус автоматичного вимикача................... NAMUR
Катушка соленоїдного клапана : IP 65 з втулкою або exproof


Привод двойного действия

Привід подвійної дії

Застосування: кульові крани, метеликові крани.

Пневмопривід
Пневмопривід
Привод двойного действия
Привод двойного действия
Пневмопривід
Привід одинарної дії

Привід одинарної дії

Застосування: кульові крани,  крани "бабочка".


Пневмопривід
Привід одинарної дії
Привід одинарної дії
Пневмопривід
3-х позиційний привід

3-х позиційний привід

3-х позиційний пневмопривід має:
- позиція (нормально закрита)
- позиція (нормально відкрита 100%)
- позиція (нормально відкрита 10-50%)
- позиція (нормально закрита)

3-х позиційний привід управляється 2 електромагнітними клапанами з 5/2 і 3/2 повертаючими пружинами.


3-х позиційний привід

Консультації по телефону

Зв’яжіться з нами і ми відповімо на всі ваші питання

Телефони

Мессенжери

WhatsApp: +380 (50) 249-29-29
Telegram: +380 (50) 249-29-29
Viber: +380 (50) 249-29-29

Адреса

Україна, 65020
м. Одеса,
вул. Тираспольска 16/21

https://krani.odessa.ua

odessergey@gmail.com