Клапан зворотний

Зворотний клапан - це тип арматури трубопроводу, принцип роботи якого полягає в тому, що під впливом прямого потоку робочого середовища механізм блокування рухається в крайньому положенні, відкриваючи отвір проходження або під дією зворотного струму - отвір проходу закривається, захищаючи систему.

Клапан зворотний муфтовий IT-403

Клапан зворотний муфтовий IT-403

Поворотний зворотний клапан ІТ-403 з муфтовим приєднанням.

Клапан перешкоджає зворотному потоку та суттєво підвищує експлуатаційну надійність систем з такими робочими середовищами, як рідини, гази та пара.

*повнопрохідна величина температури та тиску 200 PSI/W.O.G. 350F
*різьбові кінці пристосовані під ANSI B2.1,BS 21, DIN 259/2999, ISO228
кришка, що навінчується, диск, що коливається, і цілісне сідло з нержавіючої сталі класу 200

Клапан зворотний міжфланцевий IT-406

Клапан зворотний міжфланцевий IT-406

Клапан зворотний одностулковий ІТ-406 служить для запобігання зворотному потоку робочого середовища в системах тепло- та водопостачання, опалення, водопідготовки. Клапан встановлюється на трубопровід за допомогою міжфланцевого з’єднання.
Запірний орган клапана виконаний у вигляді пружного диска (тарелі). У статичному положенні середовища пружина автоматично повертає диск зворотного клапана положення «закрито».

Тиск: PN 40 бар (4,0 МПа)

Робоча температура: -40 … +250 ° С
Середовище: повітря, вода, нафтопродукти, гліколі та подібні середовища, не агресивні до матеріалів, що застосовуються.
Матеріали: корпус – нерж. сталь AISI 316 (CF8M), диск – нерж. сталь AISI 316 (CF8M), ущільнення – метал-по-металу
Спосіб кріплення: міжфланцевий
Управління: автоматичне

Подача робочого середовища одностороння, відповідно до покажчика на корпусі. Клапан може встановлюватись у горизонтальному та вертикальному положенні. Монтаж на трубопровід проводиться з міжфланцевими прокладками, що ущільнюють, без перекосів. Робоче середовище має бути вільним від механічних забруднень.

Гарантується безвідмовна робота зворотного клапана

Клапан зворотний муфтовий або приварний IT-408

Клапан зворотний муфтовий або приварний IT-408

Для запобігання зворотному відтоку середовища з трубопроводу застосовуються зворотні міжфланцеві клапани, які можна встановлювати в будь-якому положенні від горизонту.

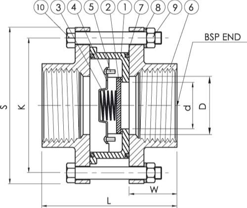
Зворотний підйомний клапан з пружиною

1 - КОРПУС КЛАПАНУ
2 - ДИСК
3 - ПРУЖИНА
4 - Кришка пружини
5 - Болт
6 - ФЛАНЕЦЬ
7 - Ущільнення тефлон
8 - ШАЙБА
9 - ГАЙКА
10 - БОЛТ

Клапан зворотний муфтовий IT-407

Клапан зворотний муфтовий IT-407

Клапан зворотний пружинний IТ407 служить для запобігання зворотному потоку робочого середовища в системах тепло- та водопостачання, опалення, водопідготовки. Клапан встановлюється на трубопровід за допомогою муфтового з’єднання. Запірний орган клапана виконаний у вигляді золотника. У статичному положенні робочий канал закрито.
Тиск: PN 40 бар (4 МПа)

Робоча температура: -30 … +230 ° С

Середовище: повітря, вода, пара, нафтопродукти, олії та подібні середовища, не агресивні до матеріалів, що застосовуються.

Матеріали: корпус, золотник – нержавіюча сталь AISI 316 (CF8М)

Спосіб кріплення: муфтовий, ВР-ВР трубне різьблення ISO 228/1 type G ДСТУ6211

Управління: автоматичне, пружинне

Подача робочого середовища одностороння, відповідно до покажчика на корпусі. Клапан може встановлюватись у горизонтальному та вертикальному положеннях. Монтаж на трубопровід повинен проводитись з ущільненням різьблення без перекосів. Робоче середовище має бути вільним від механічних забруднень.

Клапан зворотний поршневий V2C

Клапан зворотний поршневий V2C

Нержавіючий клапан зворотний з внутрішнім різьбленням призначений для перекривання потоку рідини. Вони спрацьовують в односторонньому порядку, а назад повертаються у своє природне становище завдяки пружині.
Всі складові виготовлені з харчової нержавіючої сталі AISI . Корпус клапана, шток, пружина, пластина – все з нержавіючої сталі AISI.
Муфтові нержавіючі клапани мають внутрішнє різьблення з двох сторін. Дане різьблення є трубною стандартною циліндричною. У неї легко вкручуються різьблення, згони, ніпеля та інші різьбові деталі.

Клапан зворотний поршневий V2C

Монтаж до трубопроводу здійснюється за допомогою різьблення. Напрямок руху середовища має збігатися з напрямком, вказаним на клапані.
Клапан встановлюється на горизонтальному трубопроводі так, щоб вісь диска була вищою за осі трубопроводу і
розташовувалась у горизонтальній площині. На вертикальному трубопроводі клапани встановлюються вхідним патрубком вниз так, щоб вісь диска знаходилась у горизонтальній площині

Клапан зворотний муфтовий IT-407

Фільтр муфтовий сітчастий IT-404

Магістральний муфтовий сітчастий фільтр ІТ-404 призначений для видалення механічних домішок із робочого середовища та рекомендується до встановлення перед виконавчими механізмами – клапани, регулятори, крани, засувки, лічильники тощо.
Конструкцією фільтра передбачена можливість самостійної ревізії елемента, що фільтрує.
Відмінною особливістю є надійність при експлуатації та підвищена стійкість до корозії.
Робоча температура: 0…+200°С
Середовище: повітря, вода, пара, нафтопродукти, олії, агресивні та подібні середовища, нейтральні до застосовуваних матеріалів
Температура навколишнього середовища: -40 … +60 ° С
Матеріали: корпус, сітка – нержавіюча сталь AISI 304 (CF8)
Осередок фільтруючого елемента: 500-600 мкм.
Опціонально на запит: 250-300 мкм
Спосіб кріплення: внутрішнє трубне різьблення ISO 228/1 type G
За запитом можливе постачання фільтра з американкою (зі згоном).
Положення на трубопроводі – відповідно до покажчика руху середовища на корпусі.
Монтаж провадиться з різьбовими ущільненнями без перекосів.

Зворотний клапан  FL PN16

Зворотний клапан FL PN16

Дискові поворотні затвори з м'яким сідловим ущільненням застосовуються в системах тепло-водопостачання,
вентиляції та кондиціювання, а також у магістралях теплових мереж як надійний, що не потребує спеціального обслуговування, запірно-регулюючий пристрій.

Зворотний клапан  FL PN16

Консультації по телефону

Зв’яжіться з нами і ми відповімо на всі ваші питання

Телефони

Мессенжери

WhatsApp: +380 (50) 249-29-29
Telegram: +380 (50) 249-29-29
Viber: +380 (50) 249-29-29

Адреса

Україна, 65020
м. Одеса,
вул. Тираспольска 16/21

https://krani.odessa.ua

odessergey@gmail.com